《工业建筑可靠性鉴定标准》GB 50144-2019
9 工业构筑物的鉴定评级 / 9.2 烟囱
9.2.1 烟囱的可靠性鉴定应分为地基基础、筒壁及支承结构、隔热层和内衬三个结构系统进行评定。
9.2.2 地基基础的安全性等级及使用性等级应按本标准第7.2节有关规定进行评定,其可靠性等级可按安全性等级和使用性等级中的较低等级确定。
9.2.3 烟囱筒壁及支承结构的安全性等级应按承载能力项目的评定等级确定;使用性等级应按损伤、裂缝和倾斜三个项目的最低评定等级确定;可靠性等级可按安全性等级和使用性等级中的较低等级确定。
9.2.4 烟囱筒壁及支承结构承载能力项目应根据结构类型按本标准第6.2节~第6.4节规定的重要结构构件的分级标准评定等级,并应符合下列规定:
1 作用效应计算时应考虑烟囱筒身实际倾斜所产生的附加弯矩;
2 当砖烟囱筒身出现环向水平裂缝或斜裂缝时,应根据其严重程度评定为c级或d级。
9.2.5 烟囱筒壁损伤项目应按表9.2.5的规定评定等级。

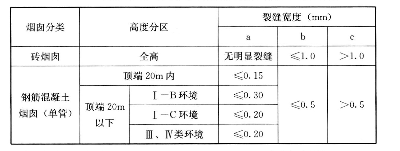
9.2.6 钢筋混凝土烟囱及砖烟囱筒壁的最大裂缝宽度项目应按表9.2.6的规定评定等级。

9.2.7 烟囱筒身及支承结构倾斜项目应按表9.2.7的规定评定等级。

9.2.8 烟囱隔热层和内衬的安全性等级应按构造连接项目根据本标准第7.4.1条有关规定评定,使用性等级应按使用功能的项目根据本标准第7.4.2条有关其他防护设施的规定评定,可靠性等级可按安全性等级和使用性等级中的较低等级确定。
9.2.9 烟囱附属设施应包括囱帽、烟道口、爬梯、信号平台、避雷装置、航空标志等,其鉴定评级应符合本标准第9.1.6条规定。
9.2.10 烟囱鉴定单元的可靠性等级应按地基基础、筒壁及支承结构、隔热层和内衬三个主要结构系统中可靠性等级的最低等级确定。