《既有建筑地基基础检测技术标准》JGJ/T 422-2018
6 基桩检测 / 6.4 低应变法
6.4.1 低应变法可用于检测既有建筑基桩桩身完整性和强度不低于15MPa的复合地基竖向增强体的完整性。
6.4.2 低应变法检测既有建筑基桩或复合地基竖向增强体完整性的有效性宜与其他方法相结合,通过现场试验确定。
6.4.3 检测数量应符合下列规定:
1 既有建筑改造加固新增基桩和采用桩基的平移轨道中的基桩,检测数量应符合现行行业标准《建筑基桩检测技术规范》JGJ106的规定;
2 发生事故的既有建筑基桩检测数量不宜少于10根,且不宜少于总桩数的20%;
3 其他既有建筑基桩检测数量不宜少于5根,且不宜少于总桩数的10%。
6.4.4 仪器设备应符合现行行业标准《建筑基桩检测技术规范》JGJ106的规定,当采用双传感器确定桩身波速时检测主机的通道数量不应少于2个。
6.4.5 应结合现场条件通过现场对比测试,选用适当的传感器安装方式及锤型、锤重、锤垫等。
6.4.6 传感器的安装应符合下列规定:
1 桩顶面部分出露时,传感器可根据桩顶面出露情况对称布置安装于出露的桩顶面;
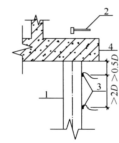
2 桩侧出露时,传感器可安装于桩侧面,距上部构件底部不应小于0.5倍桩径;采用双传感器确定波速时,两个传感器应上下布置在平行于桩轴线的桩侧面,上下传感器的距离不应小于2.0倍桩径且不应小于1m(图6.4.6);

1—基桩;2—力锤;
3—传感器;4—既有建筑承台或筏板
4 传感器安装于桩顶面时,可采用黄油、橡皮泥、石膏等材料作为耦合剂固定;安装于桩侧时,可采用螺栓或其他可靠粘贴方式固定。
6.4.7 现场锤击应符合下列规定:
1 桩顶面安装传感器时,宜锤击桩顶面出露部分的中心;
2 桩侧安装传感器(图6.4.6)时,宜锤击桩轴线对应的结构顶面;
3 现场条件不具备本条第1款~第2款的要求时,可通过在桩顶正上方的构件上靠近桩中心的不同位置锤击,试验确定合适的锤击位置;
4 锤击方向应与桩轴线一致。
6.4.8 测试参数的设定及信号的采集除应按现行行业标准《建筑基桩检测技术规范》JGJ106的规定执行外,尚应符合下列规定:
1 传感器安装于非桩顶面时,桩长应从传感器安装面开始起算;
2 采用双传感器确定波速时,波速可按双传感器测试确定的波速设定;
3 现场测试信号可判断桩身完整性时,应记录该信号并记录传感器安装位置和锤击参数,否则应调整传感器安装方式、锤击参数等继续测试。
6.4.9
结果分析及检测报告除应符合现行行业标准《建筑基桩检测技术规范》JGJ106规定外,尚应符合下列规定:
1 检测报告中应明确波速的确定方法;对于桩身为相同混凝土浇筑而成的桩,采用双传感器低应变法时桩的平均波速可按下列公式计算确定(图6.4.9):


ci——第i根受检桩的桩身波速值(m/s);
ΔL——两测点之间的距离(m);
Δt——两测点初至波分别到达时间的差值(s);
n——参加波速平均值计算的基桩数量(n≥3)。 2 分析判断时应考虑桩顶结构对测试信号的影响;采用双传感器低应变法测试时,可通过移位反向叠加法减少桩顶结构产生的影响;
3 测试曲线复杂无法判断桩身完整性时,报告中应明确低应变法无法判断的结论和采用其他检测方法补充检测的结论。