《既有建筑地基基础检测技术标准》JGJ/T 422-2018
6 基桩检测 / 6.5 旁孔透射法
6.5.1 旁孔透射法可用于检测桩头隐蔽、桩体无法开挖、桩周附近可钻孔的基桩桩长。
6.5.2 旁孔透射法测试桩身完整性宜采用单孔测试。
6.5.3 旁孔透射法检测数量不宜少于3根,且不宜少于总桩数的5%。
6.5.4 旁孔透射法采用的仪器设备应符合下列规定:
1 孔中换能器应选择三分量井下检波器,主机不应少于4通道,瞬态激振设备应符合本标准第6.4.4条的规定;
2 测试仪器应实时显示和记录测试信号、测试数据。
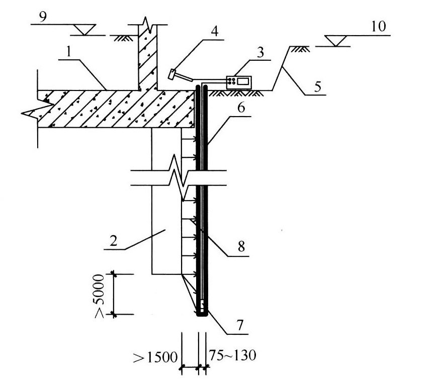
6.5.5 旁孔应符合下列规定(图6.5.5):

1既有建筑基础;2—基桩;3—信号分析仪;4—同步触发装置;5—试坑壁;
6—测管;7—检波器;8—透射波;9—室内地坪;10—室外地坪
2 钻孔与被检测桩之间的距离不应大于1.5m;
3 钻孔宜泥浆护壁,测试时孔内应充水,并保持孔内水面与桩顶面相当。当孔壁不易保持时,可下套管,套管与周围土层之间需密实填充。
6.5.6 测试参数的选择应符合下列规定:
1 采样时间间隔不宜大于50µs;
2 时域信号记录的时间段长度应在L/c时刻后延续不少于20ms;
3 测试宜自下而上按预定深度进行,测试点间距不宜大于0.5m;
4 接收信号应完整、清晰。
6.5.7 检波器长度不宜大于0.2m,且应顺直。泥浆浮力较大时,可在检波器端部增加配重。
6.5.8 桩身波速可按下式计算:

ΔL——两测点之间的距离(m);
Δt——两测点初至波分别到达时间的差值(ms)
6.5.9 旁孔透射法应通过拟合深度—时间直线,并识别拟合直线的拐点方法确定桩长(图6.5.9)。
