《砌体工程现场检测技术标准》GB/T 50315-2011
11 砂浆片剪切法 / 11.1 一般规定
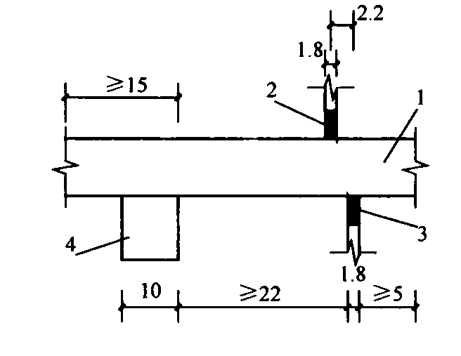
11.1.1 砂浆片剪切法(图11.1.1)适用于推定烧结普通砖或烧结多孔砖砌体中的砌筑砂浆强度。检测时,应从砖墙中抽取砂浆片试样,并应采用砂浆测强仪测试其抗剪强度,然后换算为砂浆强度。

11.1.2 从每个测点处,宜取出两个砂浆片,应一片用于检测、一片备用。
11.1.1 砂浆片剪切法(图11.1.1)适用于推定烧结普通砖或烧结多孔砖砌体中的砌筑砂浆强度。检测时,应从砖墙中抽取砂浆片试样,并应采用砂浆测强仪测试其抗剪强度,然后换算为砂浆强度。

11.1.2 从每个测点处,宜取出两个砂浆片,应一片用于检测、一片备用。