《钢结构工程施工质量验收标准》GB 50205-2020
附录H 钢结构分项工程检验质量验收记录表
H.0.1
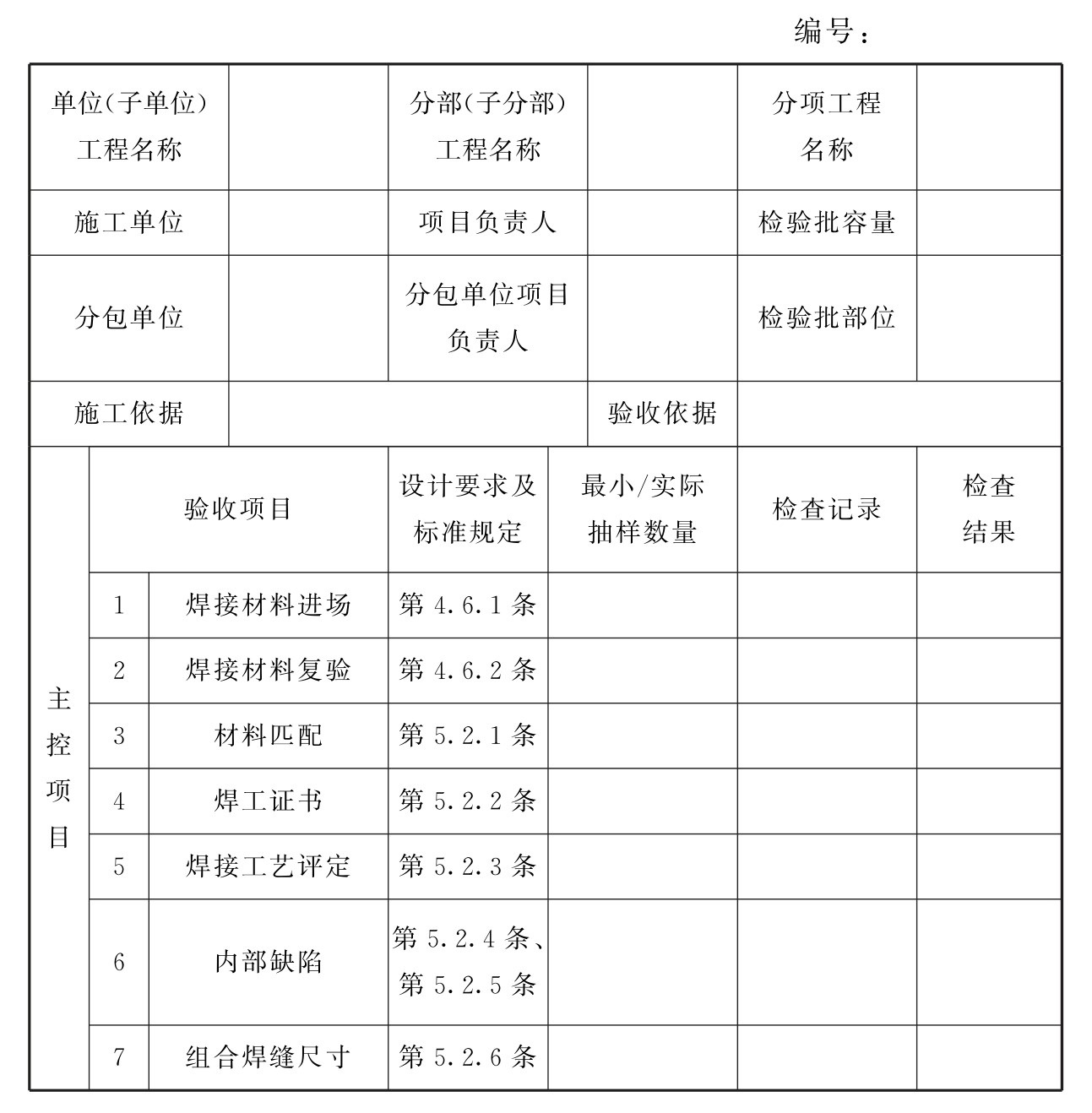
表H.0.1 钢结构(钢构件焊接)分项工程检验批质量验收记录


H.0.2
表H.0.2 钢结构(焊钉焊接)分项工程检验批质量验收记录

H.0.3
表H.0.3 钢结构(普通紧固件连接)分项工程检验批质量验收记录

H.0.4
表H.0.4 钢结构(高强度螺栓连接)分项工程检验批质量验收记录

H.0.5
表H.0.5 钢结构(零件及部件加工)分项工程检验批质量验收记录


H.0.6
表H.0.6 钢结构(构件组装)分项工程检验批质量验收记录

H.0.7
表H.0.7 钢结构(预拼装)分项工程检验批质量验收记录

H.0.8
表H.0.8 钢结构(单层结构安装)分项工程检验批质量验收记录


H.0.9
表H.0.9 钢结构(多层及高层结构安装)分项工程检验批质量验收记录


H.0.10
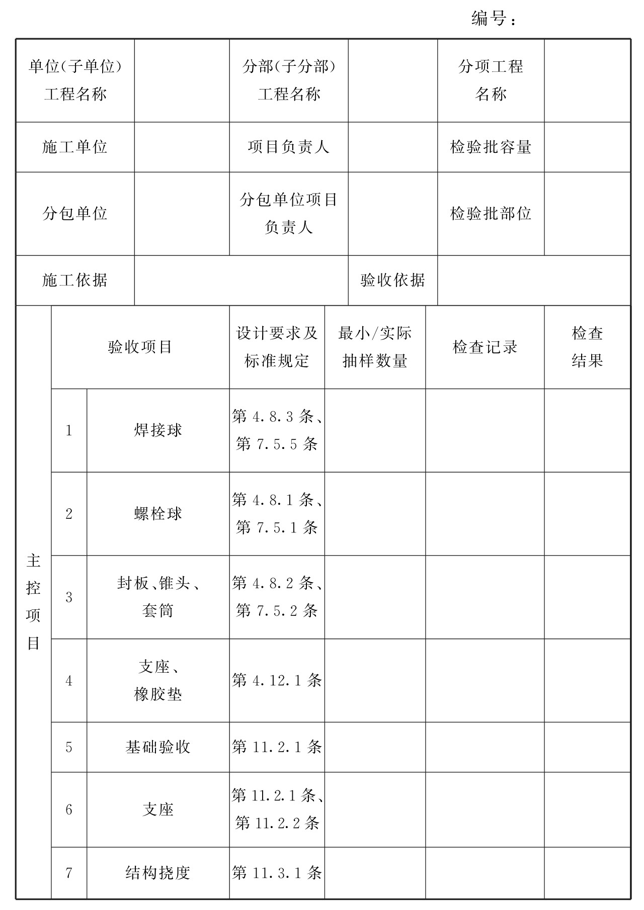
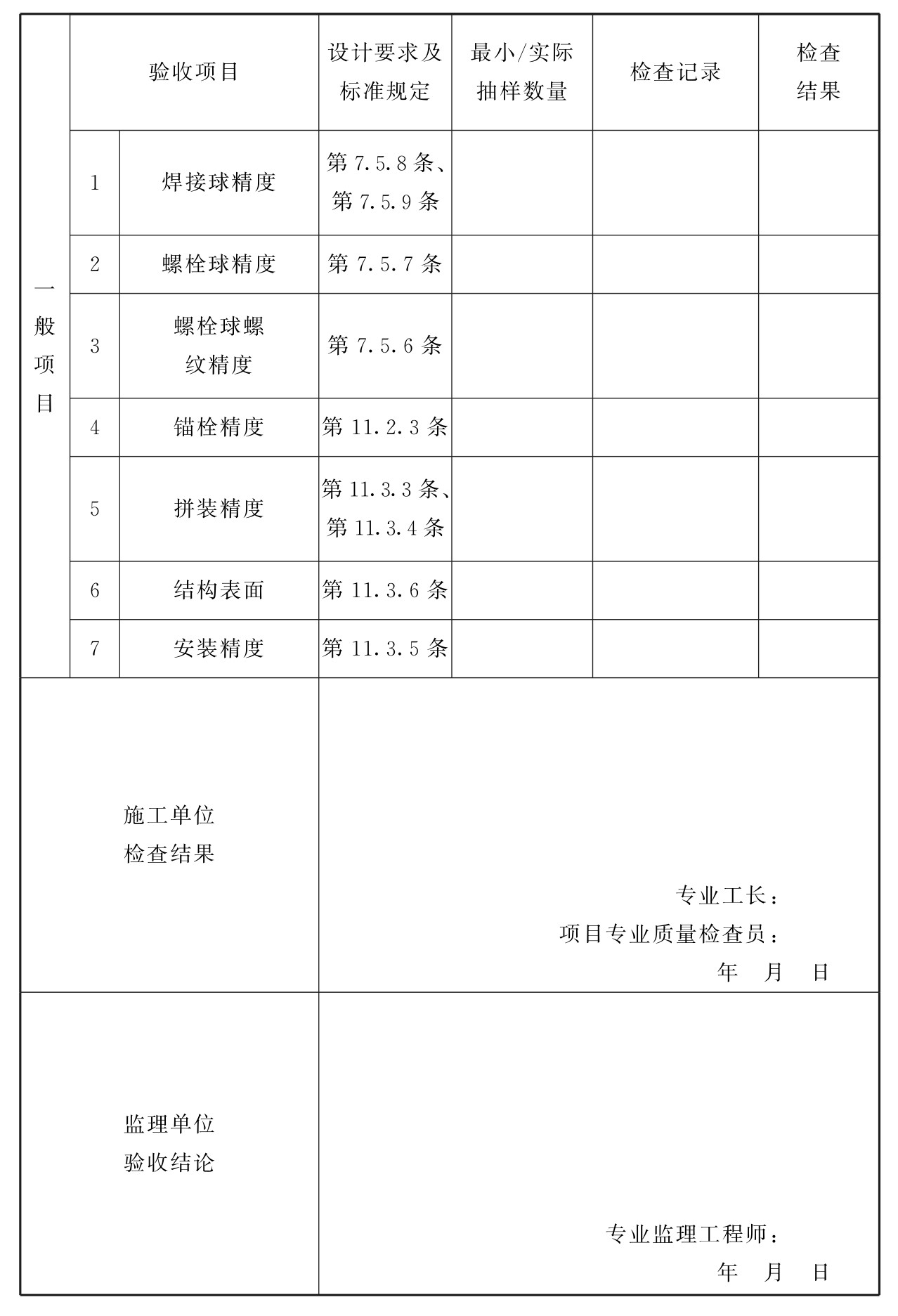
表H.0.10 钢结构(网架结构安装)分项工程检验批质量验收记录


H.0.11
表H.0.11 钢结构(钢管桁架结构)分项工程检验批质量验收记录


H.0.12
表H.0.12 钢结构(预应力索杆及膜结构)分项工程检验批质量验收记录

H.0.13
表H.0.13 钢结构(压缩金属板)分项工程检验批质量验收记录


H.0.14
表H.0.14 钢结构(防腐涂料涂装)分项工程检验批质量验收记录

H.0.15
表H.0.15 钢结构(防火涂料涂装)分项工程检验批质量验收记录
