《钢结构工程施工质量验收标准》GB 50205-2020
10 单层、多高层钢结构安装工程 / 10.3 钢柱安装
10.3.1 钢柱几何尺寸应满足设计要求并符合本标准的规定。运输、堆放和吊装等造成的钢构件变形及涂层脱落,应进行矫正和修补。
检查数量:按钢柱数抽查10%,且不应少于3个。
检验方法:用拉线、钢尺现场实测或观察。
10.3.2 设计要求顶紧的构件或节点、钢柱现场拼接接头接触面不应少于70%密贴,且边缘最大间隙不应大于0.8mm。
检查数量:按节点或接头数抽查10%,且不应少于3个。
检验方法:用钢尺及0.3mm和0.8mm厚的塞尺现场实测。
10.3.3 钢柱等主要构件的中心线及标高基准点等标记应齐全。
检查数量:按同类构件或钢柱数抽查10%,且不应少于3件。
检验方法:观察检查。
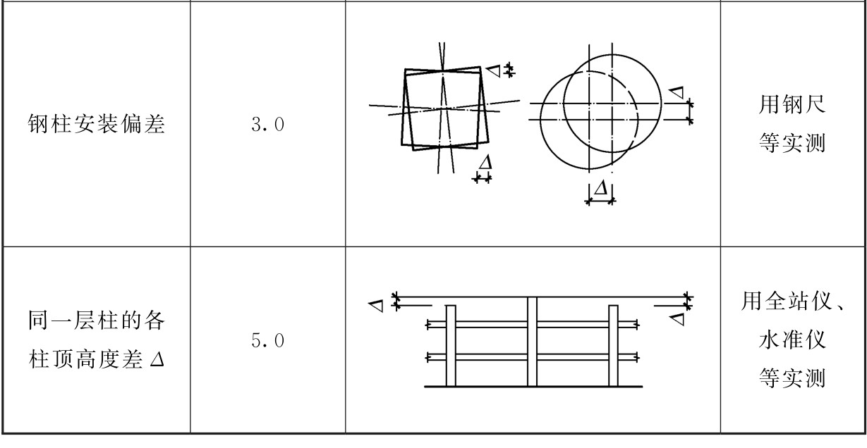
10.3.4 钢柱安装的允许偏差应符合表10.3.4的规定。
检查数量:按钢柱数抽查10%,且不应少于3件。
检验方法:应符合表10.3.4的规定。
表10.3.4 钢柱安装的允许偏差(mm)


10.3.5 柱的工地拼接接头焊缝组间隙的允许偏差,应符合表10.3.5的规定。
检查数量:按同类节点数抽查10%,且不应少于3个。
检验方法:钢尺检查。
项目 | 允许偏差 |
---|---|
无垫板间隙 | +3.0 0 |
有垫板间隙 | +3.0 -2.0 |
10.3.6 钢柱表面应干净,结构主要表面不应有疤痕、泥沙等污垢。
检查数量:按同类构件数抽查10%,且不应少于3件。
检验方法:观察检查。