《钢结构工程施工质量验收标准》GB 50205-2020
12 压型金属板工程 / 12.4 固定支架安装
12.4.1 固定支架数量、间距应满足设计要求,紧固件固定应牢固、可靠,与支承结构应密贴。
检查数量:按固定支架数抽查5%,且不得少于20处。
检验方法:观察或用小锤敲击检查。
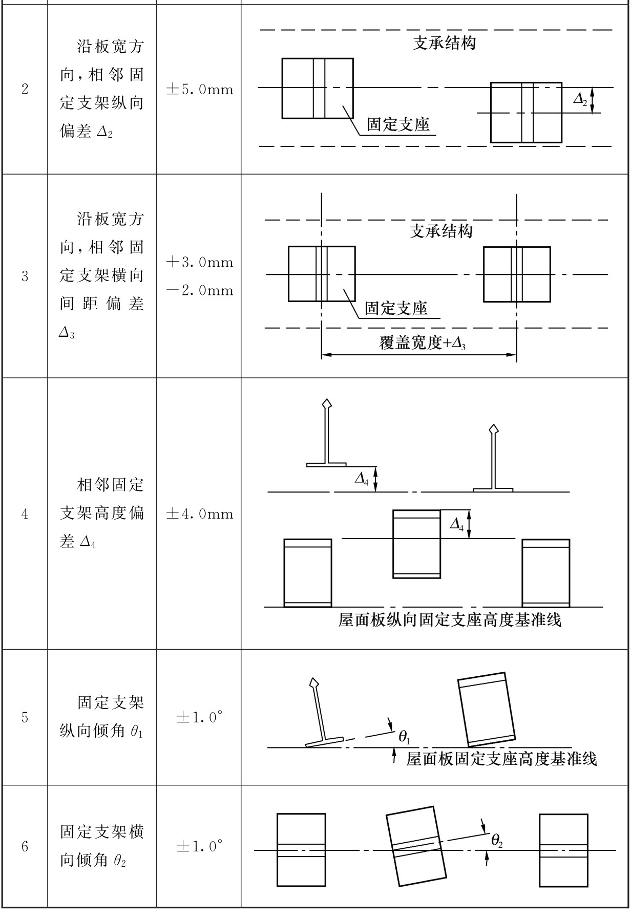
12.4.2 固定支架安装允许偏差应符合表12.4.2的规定。
检查数量:固定支架数抽查5%,且不得少于20处。
检验方法:观察检查及拉线、尺量。
表12.4.2 固定支架安装允许偏差


12.4.3 固定支架安装后应无松动、破损、变形,表面无杂物。
检查数量:按固定支架数抽查5%,且不得少于20处。
检验方法:观察检查。