《钢结构工程施工质量验收标准》GB 50205-2020
8 钢构件组装工程 / 8.5 钢构件外形尺寸
8.5.1 钢构件外形尺寸主控项目的允许偏差应符合表8.5.1的规定。
检查数量:全数检查。
检验方法:用钢尺检查。
项目 | 允许偏差 |
---|---|
单层柱、梁、桁架受力支托(支承面)表面至第一安装孔距离 | ±1.0 |
多节柱铣平面至第一安装孔距离 | ±1.0 |
实腹梁两端最外侧安装孔距离 | ±3.0 |
构件连接处的截面几何尺寸 | ±3.0 |
柱、梁连接处的腹板中心线偏移 | 2.0 |
受压构件(杆件)弯曲矢高 | l/1000,且不大于10.0 |
8.5.2 单节钢柱外形尺寸的允许偏差应符合表8.5.2的规定。
检查数量:按钢构件数抽查10%,且不应少于3件。
检验方法:用钢尺、角尺、塞尺等检查。
表8.5.2 单节钢柱外形尺寸的允许偏差(mm)

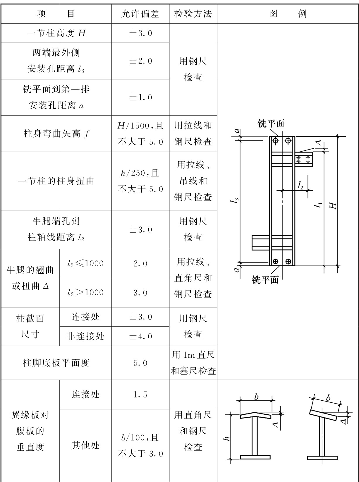
8.5.3 多节钢柱外形尺寸的允许偏差应符合表8.5.3的规定。
检查数量:按钢构件数抽查10%,且不应少于3件。
检验方法:用钢尺、角尺、塞尺等检查。
表8.5.3 多节钢柱外形尺寸的允许偏差(mm)


8.5.4 复杂截面钢柱外形尺寸的允许偏差应符合表8.5.4的规定。
检查数量:按钢构件数抽查10%,且不应少于3件。
检验方法:用钢尺、角尺、塞尺等检查。
表8.5.4 复杂截面钢柱外形尺寸的允许偏差(mm)


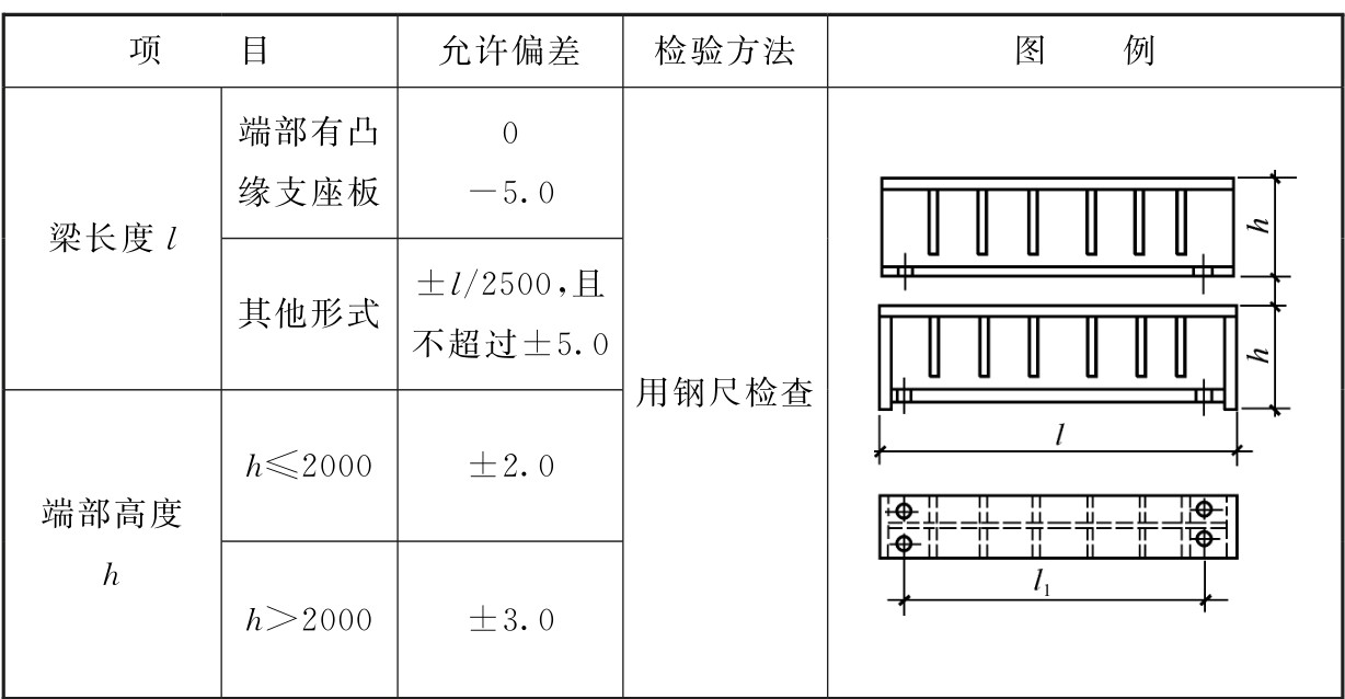
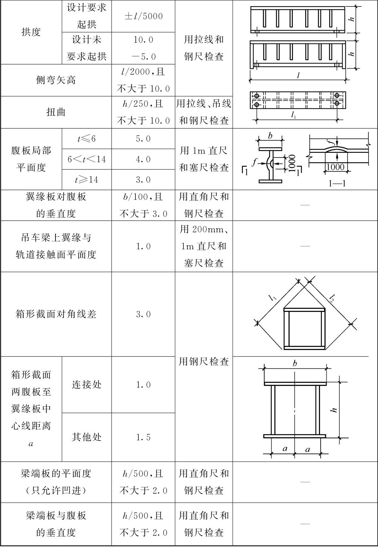
8.5.5 焊接实腹钢梁外形尺寸的允许偏差应符合表8.5.5的规定。
检查数量:按钢构件数抽查10%,且不应少于3件。
检验方法:用钢尺、角尺、塞尺等检查。
表8.5.5 焊接实腹钢梁外形尺寸的允许偏差(mm)


8.5.6 钢桁架外形尺寸的允许偏差应符合表8.5.6的规定。
检查数量:按钢构件数抽查10%,且不应少于3件。
检验方法:用钢尺、角尺、塞尺等检查。
表8.5.6 钢桁架外形尺寸的允许偏差(mm)

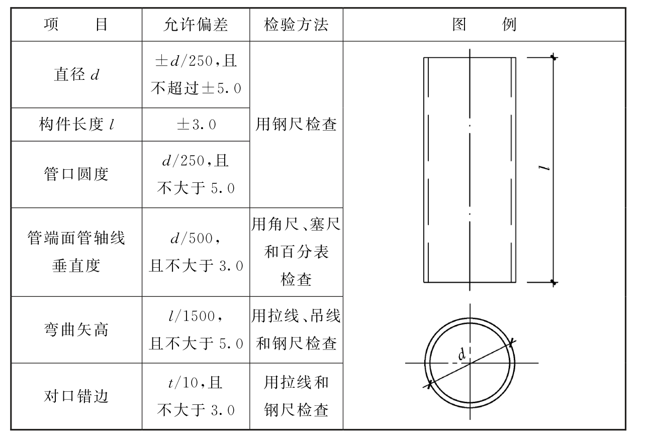
8.5.7 钢管构件外形尺寸的允许偏差应符合表8.5.7的规定。
检查数量:按钢构件数抽查10%,且不应少于3件。
检验方法:用钢尺、角尺、塞尺等检查。
表8.5.7 钢管构件外形尺寸的允许偏差(mm)
注:对方矩形管,d为长边尺寸。

8.5.8 墙架、檩条、支撑系统钢构件外形尺寸的允许偏差,应符合表8.5.8的规定。
检查数量:按钢构件数抽查10%,且不应少于3件。
检验方法:用钢尺、角尺、塞尺等检查。
表8.5.8 墙架、凛条、支撑系统钢构件外形尺寸的允许偏差(mm)

8.5.9 钢平台、钢梯和防护钢栏杆外形尺寸的允许偏差,应符合表8.5.9的规定。
检查数量:按钢构件数抽查10%,且不应少于3件。
检验方法:用钢尺、角尺、塞尺等检查。
表8.5.9 钢平台、钢梯和防护钢栏杆外形尺寸的允许偏差(mm)
