《钢结构现场检测技术标准》GB/T 50621-2010
7 内部缺陷的超声检测 / 7.2 设备与器材
7.2.1 模拟式和数字式的A型脉冲反射式超声仪的主要技术指标应符合表7.2.1的规定。
表7.2.1 A型脉冲反射式超声仪的主要技术指标

7.2.2 超声仪、探头及系统性能的检查应按现行行业标准《无损检测 A型脉冲反射式超声检测系统工作性能测试方法》JB/T9214规定的方法测试,其周期检查项目及时间应符合表7.2.2的规定。
表7.2.2 超声仪、探头及系统性能的周期检查项目及时间

7.2.3 探头的选择应符合下列规定:
1 纵波直探头的晶片直径宜在10mm~20mm范围内,频率宜为1.0MHz~5.0MHz。
2 横波斜探头应选用在钢中的折射角为45°、60°、70°或K值为1.0、1.5、2.0、2.5、3.0的横波斜探头,其频率宜为2.0MHz~5.0MHz。
3 纵波双晶探头两晶片之间的声绝缘应良好,且晶片的面积不应小于150mm2。
4 探伤面与斜探头的折射角β(或K值)应根据材料厚度、焊缝坡口形式等因素选择,检测不同板厚所用探头角度宜按表7.2.3采用。
表7.2.3 不同板厚所用探头角度

7.2.4 标准试块的形状和尺寸应与图7.2.4相符。标准试块的制作技术要求应符合现行行业标准《无损检测 超声检测用试块》JB/T8428的有关规定。

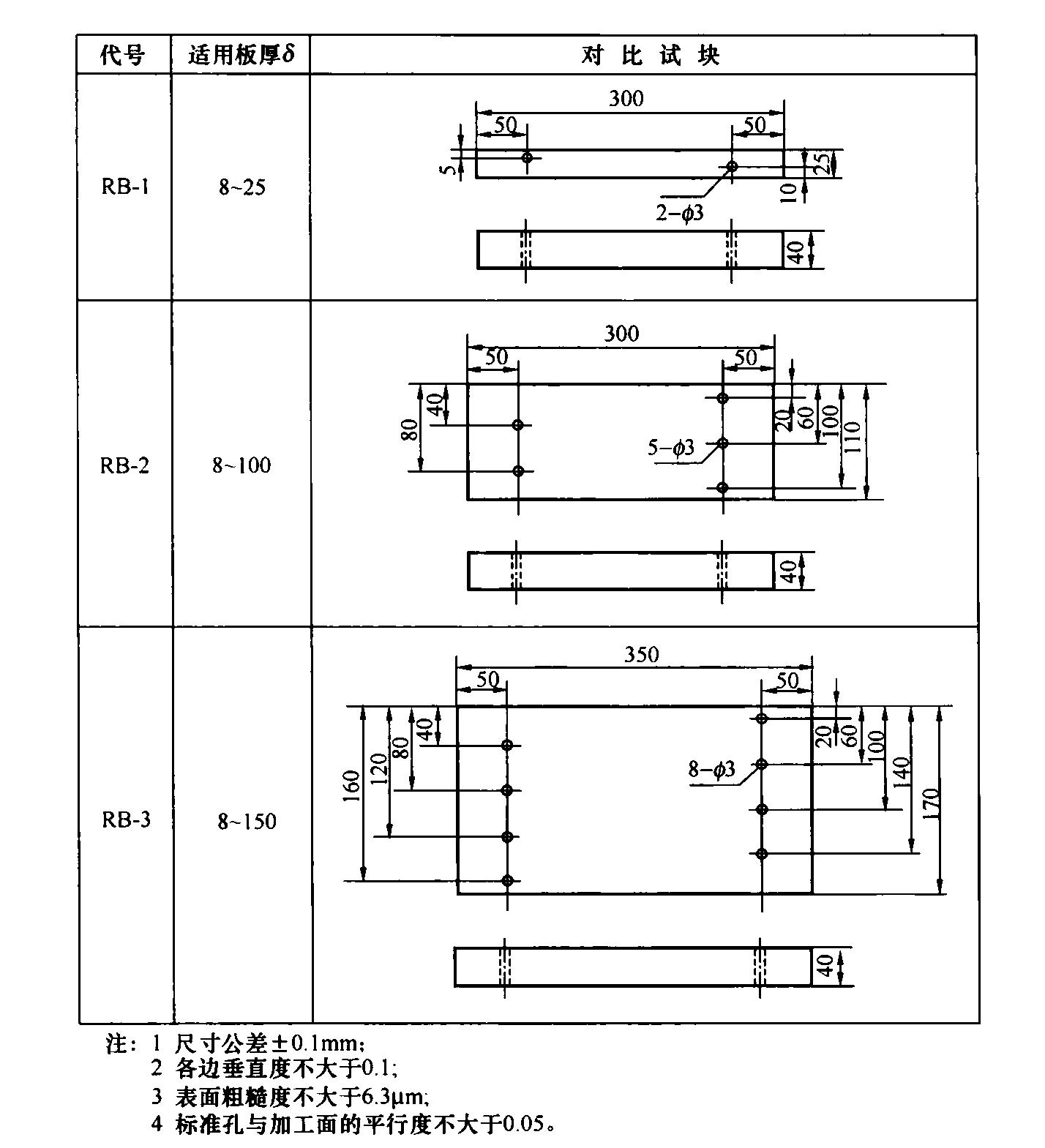
7.2.5 对比试块的形状和尺寸应与图7.2.5相符。对比试块应采用与被检测材料相同或声学特性相近的钢材制成。
